Service Hotline: 07022 70897897
Kostenloser Versand ab 150 € (DE / Paket)
Einfache Rückgabe - 14 Tage Widerrufsrecht
#global.skipToContent# #global.skipToSearch# #global.skipToNav#

Lüftungsrohr Bogen


Lüftungsrohr Bogen

Ein Lüftungsrohr‑Bogen ist ein Formteil für Lüftungs‑ und Klimakanäle, das Richtungsänderungen im Rohrsystem ermöglicht. Er sorgt für strömungsoptimierte Umlenkungen von Zu‑ und Abluft und ist in verschiedenen Winkeln, Durchmessern und Materialien erhältlich. Die Kategorie Lüftungsrohr Bogen umfasst Bögen aus verzinktem Stahl, Edelstahl oder Aluminium – passend für Wickelfalzrohre und glatte Rundrohre.

Ihre Vorteile auf einen Blick

  • Strömungsoptimiert: Sanfte Umlenkung der Luft reduziert Druckverluste.
  • Hohe Stabilität: Robuste Metallkonstruktion für langlebige Lüftungsanlagen.
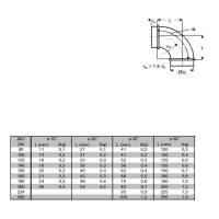
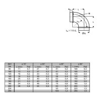
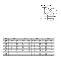
  • Verschiedene Winkel: 15°, 30°, 45°, 60°, 90° für flexible Leitungsführung.
  • Kompatibel mit Wickelfalzrohren: Passend für Standard‑Durchmesser und Steckverbindungen.
  • Dichtheitsklassen: Je nach Ausführung bis Klasse D.
  • Einfache Montage: Stecksysteme mit Dichtlippe oder Nippel/Muffe.

Technische Highlights

  • Materialvarianten: Verzinkter Stahl (Standard), Edelstahl (hygienisch), Aluminium (leicht).
  • Durchmesser: Typisch 80–400 mm für Wohn‑ und Gewerbeanlagen.
  • Segmentbögen: Mehrteilige Bögen für besonders strömungsgünstige Umlenkungen.
  • Pressbögen: Tiefgezogene Bögen für kompakte Installationen.
  • Dichtungssysteme: EPDM‑Dichtlippen für luftdichte Verbindungen.
  • Kompatibilität: Für zentrale und dezentrale Lüftungsanlagen geeignet.

Systemkomponenten / Produktportfolio / Aufbau

  • Pressbögen: Einteilige Bögen für enge Platzverhältnisse.
  • Segmentbögen: Mehrteilige, strömungsoptimierte Ausführungen.
  • Winkelvarianten: 15°, 30°, 45°, 60°, 90°.
  • Übergangsbögen: Für Durchmesserwechsel oder spezielle Anschlüsse.
  • Verbindungselemente: Muffen, Nippel, Dichtungen, Spannringe.
  • Montagezubehör: Rohrschellen, Konsolen, Dämmmaterial.

Einsatzbereiche

  • Wohnraumlüftung (Zentral‑ und Einzelraumlüftung)
  • Gewerbliche Lüftungsanlagen
  • Industrie‑ und Produktionshallen
  • Küchenabluft und Gastronomie
  • Werkstätten und technische Räume
  • Sanierung bestehender Lüftungsleitungen

FAQ – Häufig gestellte Fragen

Welche Winkel gibt es bei Lüftungsrohr‑Bögen?
Standard sind 15°, 30°, 45°, 60° und 90°.
Was ist der Unterschied zwischen Pressbogen und Segmentbogen?
Pressbögen sind einteilig und kompakt, Segmentbögen bestehen aus mehreren Teilen und sind strömungsgünstiger.
Welches Material ist am besten?
Verzinkter Stahl für Standardanwendungen, Edelstahl für hygienische Bereiche wie Küchenabluft.
Wie werden Bögen montiert?
Über Steckverbindungen mit Muffe/Nippel und Dichtlippe – meist werkzeuglos.
Gibt es gedämmte Bögen?
Ja, für Anlagen mit Schallschutz‑ oder Wärmeschutzanforderungen.
Sind Bögen mit Wickelfalzrohren kompatibel?
Ja, alle gängigen Bögen sind für Wickelfalzrohre ausgelegt.
Jetzt Lüftungsrohr‑Bögen entdecken und Ihr Lüftungssystem optimal erweitern

Hinweis / Beratung: Unser Team unterstützt Sie bei Auswahl, Durchmesser und Winkel des passenden Lüftungsrohr‑Bogens.

© 2026 Viva-Haus-Solution. Alle Rechte vorbehalten.



Mit kostenlosen JTL-Plugins von CMO.de